Anschluss der Tür an das Hikvision Video-Türsprechsystem DS-KIS101-P, DS-KIS703-P, DS-KIS604-S
News des Tages: 08-08-2022
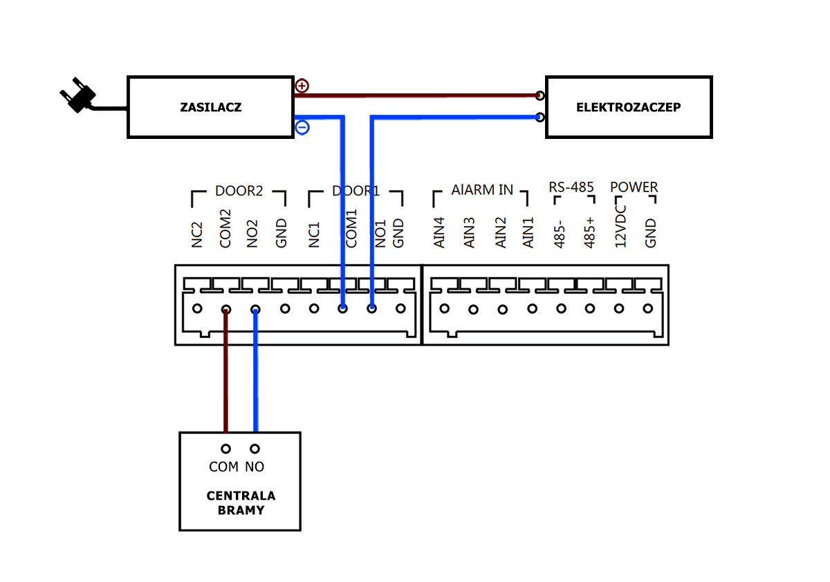
Anschluss an das Gateway-Bedienfeld:
Anschluss an das Gateway-Bedienfeld:
DS-KIS101-P Videosprechanlage:

DS-KIS703-P Videosprechanlage:

DS-KIS604-S Videosprechanlage


DS-KIS703-P Videosprechanlage:

DS-KIS604-S Videosprechanlage

Sonstige Eintragungen
Markenzone
Unsere Empfehlungen
- Stadtüberwachung
- Hausüberwachung
- Siedlungsüberwachung
- Geschäftsüberwachung
- Apothekenüberwachung
- Parkplatzüberwachung
- Büroüberwachung
- Schulüberwachung
- Lagerüberwachung
- Tankstellenüberwachung
- Festplattenkapazitätsrechner
- Brennweitenrechner für Objektive
- Umfassende Expertenhilfe
- Effiziente Auftragsabwicklung
- Wettbewerbsfähige Preise, Aktionen und Rabatte
- 17 Jahre auf dem Markt


















